・X432 ズーム操作(光学 27倍、電子ズーム X16倍)
・ベクトルドライブ機能による高速被写体キャッチ
・最大360°/秒の高速旋回と手動時の0.05°/秒の高操作性
・360°エンドレス旋回/127のプリセットポイント
・光学27倍&デジタル12倍ズームの高倍率レンズ搭載
・IRカットフィルタによるデイナイト機能
・HLC(ハイライトコンペンセーション)
・DIS(デジタルイメージスタビライゼーション)
・4パターン、8スウィング、8グループの多彩な機能
・プライバシーマスク機能
・オートフリップ、オートパーキング機能
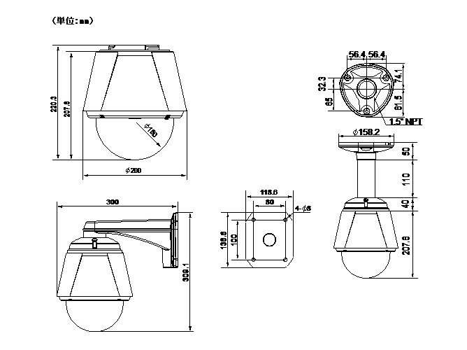
・バンダルプルーフコンパクト設計
・デュアルパーワ入力(AC 24V 、 DC 12V)
ファンヒーター内蔵 (ECOモデルのみ)
・H.264 基盤ネットワークカメラOnvif対応
・防水(IP 67)
